About Skema Kelistrikan Mobil Korea
Aplikasi ini memudahkan anda dalam mengatasi masalah pada rangkaian kelistrikan mobil anda, diantaranya :
1. STARTING & CHARGING SYSTEM
– BATTERY,IGNITION SWITCH,STARTER MOTOR,GENERATOR & PNP SWITCH CIRCUIT
2. ECM (ENGINE CONTROL MODULE)
– BATTERY POWER SUPPLY,GROUND,EI SYSTEM & CKP SENSOR CIRCUIT
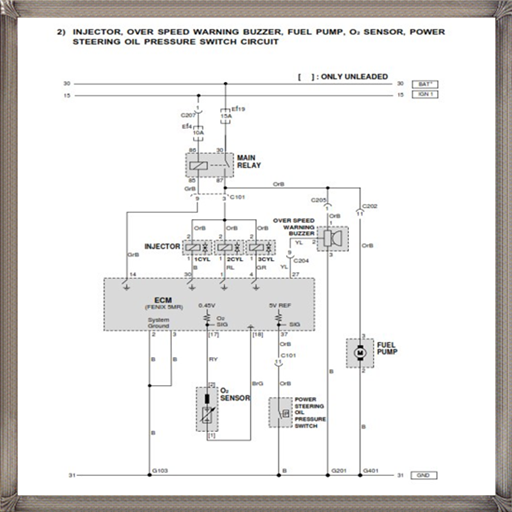
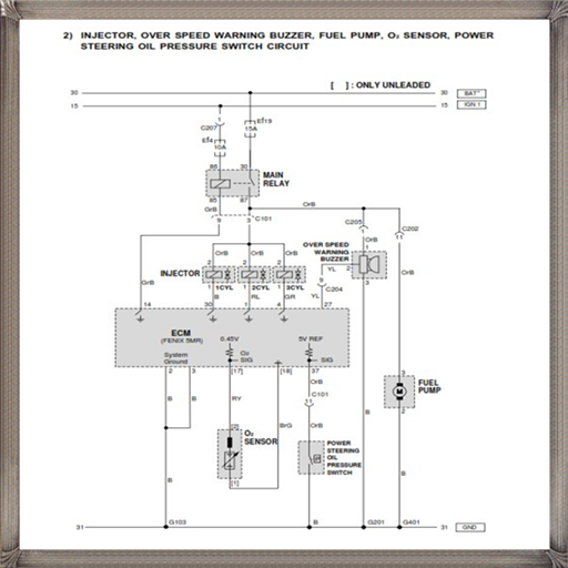
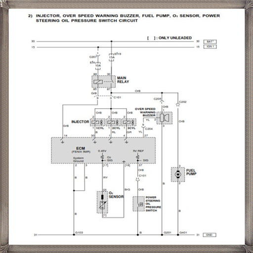
– FUEL PUMP,FUEL CONNECTOR & CMP SENSOR CIRCUIT,INJECTOR & HEATED O2 SENSOR CIRCUIT
– MTIA,IAC,SENSOR (MAP,ECT,TP,IAT,KNOCK,ACP,HO2S,O2 & ROUGH ROAD) EGR VALVE,LEGR CIRCUIT & POWER STEERING PRESSURE SWITCH CIRCUIT
– EVAP CANISTER PURGE SOLENOID,CMP SENSOR,VGIS,CLUSTER & VSS CIRCUIT
– CLUSTER,FUEL PUMP & TCM CIRCUIT
– DLC,MIL LAMP & IMMOBILIZER CONTROL CIRCUIT & RON SWITCH CIRCUIT
3. TCM (TRANSMISSION CONTROL MODULE)
– POWER SUPPLY,GROUND,PNP SWITCH,BRAKE SWITCH & SOLENOID VALVE CIRCUIT
– SENSOR (INPUT SPEED,OUTPUT SPEED,TRANSMISSION FLUID TEMP),CLUSTER,DLC,ECM & HOLD MODE SWITCH CIRCUIT
– PNP SWITCH & CLUSTER CIRCUIT
4. AIR CONDITIONER
– AIR CONDITIONER CONTROL SWITCH,BLOWER MOTOR RESISTER & BLOWER MOTOR CIRCUIT
– AIR CONDITIONER CONTROL,INTAKE MOTOR SWITCH & AIR CONDITIONER COMPRESSOR CIRCUIT
5. FATC (FULL AUTOMATIC TEMPERATURE CONTROL)
– BLOWER MOTOR,INTAKE MOTOR,MODE MOTOR,MAX HIGH RELAY & POWER TR CIRCUIT
– SENSOR (AMBIENT,INCAR,SUN & WATER),AIR MIX DOOR MOTOR,A/C COMPRESSOR & ECM CIRCUIT
6. RADIATOR COOLING FAN CIRCUIT
7. HEAD LAMP & HEAD LAMP LEVELING DEVICE (HLLD) CIRCUIT
8. ILLUMINATION CIRCUIT
– ILLUMINATION CIRCUIT — W/ DIMMER CONTROL
– LAMP (LICENSE PLATE & W/ FRONT / REAR PARKING) CIRCUIT
9. FRONT & REAR FOG LAMP CIRCUIT
10. HAZARD & TURN SIGNAL LAMP CIRCUIT
11. STOP LAMP,CENTER HIGH MOUNT STOP LAMP (CHMSL) & REVERSE LAMP CIRCUIT
12. TRUNK OPEN SWITCH,TRUNK LATCH SWITCH,TRUNK ROOM LAMP & HORN CIRCUIT
– DUAL HORN
– SIGNLE HORN
13. LAMPS (MAP & ROOM) CIRCUIT
– W/O SUN ROOF & W/O DECAY
– W/ SUN ROOF & W/O DECAY
14. CLOCK,CIGAR LIGHTER,ASHTRAY ILLUM.LAMP & EXTRA POWER JACK CIRCUIT
– M/T
– A/T
15. CHIME BELL,SEAT BELT & KEY REMIND SWITCH CIRCUIT
16. WIPER CIRCUIT
– W/O RAIN SENSOR & AIR CONDITIONER,FATC
– W/ RAIN SENSOR & AIR CONDITIONER,FATC
17. REAR WINDOW DEFROSTER & OSRV MIRROR HEATING SYSTEM CIRCUIT
18. ELECTRIC OSRV (OUTSIDE REAR VIEW) MIRROR CIRCUIT
19. FOLDING MIRROR UNIT CIRCUIT
20. POWER WINDOW CIRCUIT
– ONLY FRONT POWER WINDOW CIRCUIT
– FRONT & REAR POWER WINDOW CIRCUIT
21. CENTRAL DOOR LOCKING SYSTEM CIRCUIT
22. CLUSTER
– TEMPERATURE GAUGE,TACHOMETER,FUEL GAUGE,ODDOMETER,SPEEDOMETER & FUEL WARNING LAMP CIRCUIT
– WARNING (MIL,ABS,TCS,PARKING BRAKE & CHARGING) LAMP CIRCUIT
– WARNING (SSPS,AIR BAG,OIL PRESSURE & SEAT BELT) LAMP & HOLD MODE CIRCUIT
– INDICATOR LAMP (FRONT & REAR FOG) & DOOR OPENING WARNING LAMP CIRCUIT
– INDICATOR LAMP (TURN SIGNAL,HIGH BEAM & HAZARD) & ILLUMINATION LAMP CIRCUIT
23. AUDIO CIRCUIT
– W/O RDS
– W/ RDS
24. ABS (ANTI LOCK BRAKE SYSTEM)
– POWER SUPPLY,WHEEL SPEED SENSOR & BRAKE SWITCH CIRCUIT
– OIL FEEDING CONNECTOR,WARNING (ABS,TCS & BRAKE) LAMP & DLC CIRCUIT
25. AIR BAG (SDM: SENSING & DIAGNOSTIC MODULE) CIRCUIT
26. SUN ROOF CIRCUIT
27. SSPS (SPEED SENSITIVE POWER STEERING) CIRCUIT
28. IMMOBILIZER SYSTEM CIRCUIT
29. ANTI THEFT CONTROL SYSTEM CIRCUIT
download for free, may be useful
Additional App Information
-
Category:
-
Latest Version:2.1
-
Released on:Mar 25, 2017
-
Developed by:TroneStudio
-
Requires Android:Android 5.0+
-
Available on:
-
Report:


















